熱電対センサをLabVIEWでSPI通信テスト

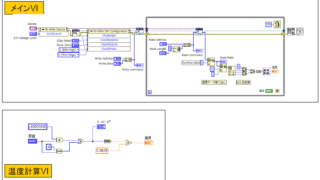
熱電対センサとSPI通信テスト 熱電対センサをLabVIEWプログラムでSPI通信による制御ができるか、動作テストを実施して、通信コマンド・計算式などを検証しました。 NI USB-8451とMAX31856の接続 熱電 … 続きを読む 熱電対センサをLabVIEWでSPI通信テスト